
![]() |
![]() |
| 铝合金气动隔膜泵 内螺纹连接 | 铝合金气动隔膜泵 结构 |
铝合金气动隔膜泵是一种以铝合金为材质的新型隔膜泵,具有使用压力足、寿命长、噪音低、不会停顿、做工精细等优点,既能抽送流动的液体,又能输送一些不易流动的介质,具有自吸泵、潜水泵、屏蔽泵、泥浆泵和杂质泵等输送机械的许多优点。
在隔膜泵的两个对称工作腔中,各装有一块有弹性的隔膜6,联杆将两块隔膜结成一体,压缩空气从泵的进气接头1进入配气阀 3后,推动两个工作腔内的隔膜,驱使联杆联接的两块隔膜同步运动。与此同时,另一工作腔中的气体则从隔膜的背后排出泵外。一旦到达行程终点。配气机构则自动地将压缩空气引入另一个工作腔,推动隔膜朝相反方向运动,这样就形成了两个隔膜的同步往复运动。每个工作腔中设置有两个单向球阀4,铝合金气动隔膜泵的往复运动,造成工作腔内容积的改变,迫使两个单向球阀交替地开启和关闭,从而将液体连续地吸入和排出。
1、不需灌引水,吸程高达7m,扬程达50m,出口压力≥6kgf/cm2;
2、流动宽敞,通过性能好,允许通过大颗粒直径达10mm。抽送泥浆、杂质时,对泵磨损甚微;
3、扬程、流量可通过气阀开度实现无级调节(气压调节在1-7kgf/cm2之间);
4、铝合金隔膜泵无旋转部件,没有轴封,隔膜将抽送的介质与泵的运动部件、工作介质完全隔开,所输送的介质不会向外泄漏。所以抽送有毒、易发挥或腐蚀性介质时,不会造成环境污染和危害人身安全;
5、不必用电,在易燃、易爆场所使用安全可靠;
6、可以浸没在介质中工作;
7、作用方便、工作可靠、开停只需简单地打开和关闭气体阀门,即使由于意外情况而长时间无介质运行或突然停机,泵也不会因此而损坏,不旦超负荷,泵会自动地停机,具有自我保护性能,当负荷恢复正常后,又有自动启动运行;
8、结构简单、易损件少,该泵结构简单,安装、维修方便,泵输送的介质不会接触到配气阀,联杆等运动部
件,不象其他类型的泵因转子、活塞、齿轮、叶片等部件的磨损而使性能逐步下降;
9、可输送较粘的液体(粘度在1万厘泊以下);
10、无须用油润滑,即使空转,对泵也无任何影响,这是该泵一大特点。
| 型号 |
流量 (m3/h) |
扬程 (m) |
出口压力 (kgf/cm2) |
吸程 (m) |
大允许颗粒直粒 D |
大供气压力 (kgf/cm2) |
大空气消耗量 (m3/min) |
材 料 Materials | |||
|---|---|---|---|---|---|---|---|---|---|---|---|
| 铝 |
不锈钢 |
铸铁 |
增强聚丙烯 |
||||||||
| QBY-10 | 0~0.8 | 0~50 | 6 | 5 | 1 | 7 | 0.6 | ★ | ★ | ★ | ★ |
| QBY-15 | 0~1 | 0~50 | 6 | 5 | 1 | 7 | 0.3 | ★ | ★ | ★ | ★ |
| QBY-25 | 0~2.4 | 0~50 | 6 | 7 | 2.5 | 7 | 0.6 | ★ | ★ | ★ | ★ |
| QBY-40 | 0~8 | 0~50 | 6 | 7 | 4.5 | 7 | 0.6 | ★ | ★ | ★ | ★ |
| QBY-50 | 0~12 | 0~50 | 6 | 7 | 8 | 7 | 0.9 | ★ | ★ | ★ | / |
| QBY-65 | 0~16 | 0~50 | 6 | 7 | 8 | 7 | 0.9 | ★ | ★ | ★ | / |
| QBY-80 | 0~24 | 0~50 | 6 | 7 | 10 | 7 | 1.5 | ★ | ★ | ★ | / |
| QBY-100 | 0~30 | 0~50 | 6 | 7 | 10 | 7 | 1.5 | ★ | ★ | ★ | / |
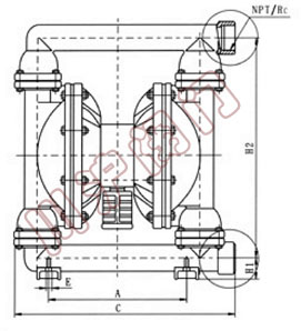
![]() |
| 型号 Model |
A | B | C | D | E | H1 | H2 | H3 | H | 螺纹式 Screw |
法兰式 Flange |
|||||
|---|---|---|---|---|---|---|---|---|---|---|---|---|---|---|---|---|
| NPT/RC | D1 | D2 | D3 | D | n | d | ||||||||||
| QBY-10 | 135 | 48 | 218 | 144 | 12 | 34 | 176 | 10 | 226 | 1/2 | - | - | - | - | - | - |
| QBY-15 | 135 | 48 | 218 | 144 | 12 | 34 | 176 | 10 | 226 | 1/2 | - | - | - | - | - | - |
| QBY-25 | 236 | 145 | 381 | 248 | 12 | 46 | 344 | 18 | 412 | 1 | - | - | - | - | - | - |
| QBY-40 | 236 | 145 | 381 | 248 | 12 | 50 | 348 | 18 | 428 | 11/2 | - | - | - | - | - | - |
| QBY-50 | 320 | 220 | 518 | 347 | 14 | 50 | 521 | 27 | 609 | 2 | 84 | 50 | 125 | 165 | 4 | 18 |
| QBY-65 | 320 | 220 | 518 | 347 | 14 | 50 | 521 | 27 | 609 | 21/2 | 104 | 65 | 145 | 185 | 4 | 18 |
| QBY-80 | 360 | 240 | 634 | 455 | 18 | 96 | 696 | 50 | 842 | 3 | 118 | 80 | 160 | 200 | 8 | 18 |
| QBY-100 | 360 | 240 | 634 | 455 | 18 | 130 | 721 | 60 | 960 | - | 140 | 100 | 180 | 200 | 8 | 18 |