
![]() |
![]() |
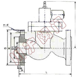
| ZCRB系列紧急切断电磁阀 | ZCRB系列紧急切断电磁阀 外型尺寸图 |
航天、船舶重工、石油化工、电力装备、工业炉窑、锅炉、燃气管网、燃气处理厂、加气站、燃气泄漏报警系统、安全保护系统、消防报警系统,广泛用于城市或工厂易燃易爆介质管网安全保护,当发现事故隐患时快速切断,及时制止恶性事故发生。
原理结构:直动活塞型、先导活塞型 控制方式:常开时不通电;通电关闭,可手动打开
关闭速度:≤1秒
工作压力:0-16bar
流体范围:煤气、天然气、液化气、沼气、等气体或燃油
流体温度:-15~60℃
防爆等级: dⅡBT4、dⅡCT5
标准电压:AC220V、DC24V (其它可特制)
电气连接:三芯防爆电缆引线
蝶式活塞 防腐耐磨 单环密封 防止泄漏
导向设置 消除故障 瞬间通电 快速切断
自保持开 手动复位 特制线圈 超长寿命
| 通径DN (mm) | 阀体 材质 |
工作压力 (bar) |
Kv值 (m3/h) |
内螺纹连接(mm) | 法兰连接(mm) | ||||||
|---|---|---|---|---|---|---|---|---|---|---|---|
| G螺纹 | L | H | L | H | D | 孔距 | n-d | ||||
| 20 | 铸铁 304不锈钢 |
B06级:0-6 B16级:0.3-16 |
5.0 | 3/4〃 | 85 | 130 | 96 | 170 | Φ95 | 75 | 4-Φ12 |
| 25 | 8.5 | 1〃 | 98 | 140 | 110 | 180 | Φ106 | 85 | 4-Φ12 | ||
| 32 | 15 | 1 1/4〃 | 120 | 150 | 128 | 200 | Φ125 | 100 | 4-Φ14 | ||
| 40 | 22 | 1 1/2〃 | 130 | 160 | 142 | 210 | Φ138 | 110 | 4-Φ16 | ||
| 50 | 35 | 2〃 | 150 | 180 | 158 | 230 | Φ155 | 125 | 4-Φ17 | ||
| 65 | B01级:0-1 B03级:0-3 B06级:0-6 B10级:1-10 |
48 | 200 | 290 | Φ176 | 145 | 4-Φ17 | ||||
| 80 | 75 | 220 | 320 | Φ190 | 160 | 4-Φ17 | |||||
| 100 | 115 | 260 | 350 | Φ210 | 180 | 8-Φ16 | |||||
| 150 | 铸铁 | 250 | 400 | 500 | Φ280 | 240 | 8-Φ22 | ||||
| 200 | 铸钢、不锈钢 | B0.05级:0-0.05;(特制:0-6) | 420 | 495 | Φ340 | 295 | 12-Φ22 | ||||
| 250 | 660 | 620 | Φ405 | 355 | 12-Φ26 | ||||||
| 300 | 700 | Φ460 | 410 | 12-Φ26 | |||||||
| 350 | B0.05级:0-0.05; | 790 | Φ520 | 470 | 16-Φ26 | ||||||
| 400 | 915 | Φ580 | 525 | 16-Φ30 | |||||||
| 450 | 980 | Φ640 | 585 | 20-Φ30 | |||||||
| 500 | 980 | Φ715 | 650 | 20-Φ33 | |||||||
| 600 | 1300 | Φ840 | 770 | 20-Φ36 | |||||||